Описание
Характеристики
Отзывы
Описание
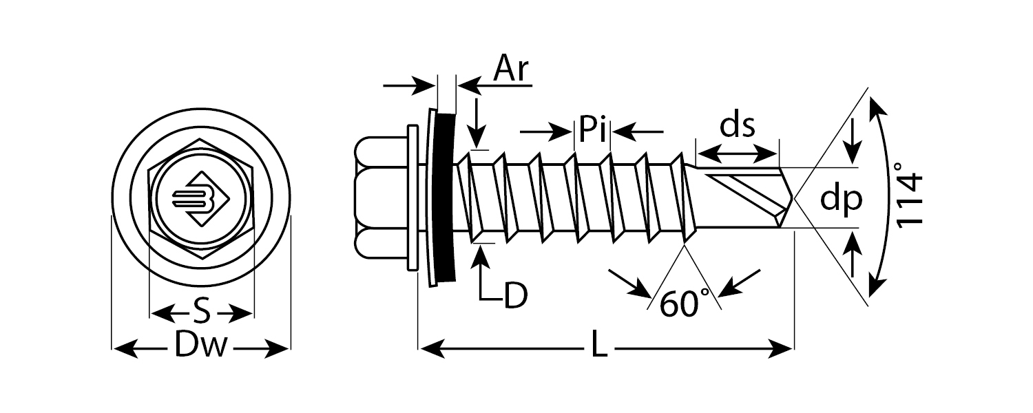
Кровельные саморезы изготовлены из стального прутка с высоким содержанием углерода. Контроль за геометрией самореза начинается с калибровки прутка и заканчивается тщательной проверкой размеров готового изделия. Нормативная твердость стали достигается термической обработкой. Поверхностная твердость мин. 560HV, твердость в сердцевине 240-425HV. Шайба с прокладкой EPDM толщиной 2мм плотно прижимается к кровельному материалу, герметизируя просверленное отверстие. Шестигранная головка выдерживает большой крутящий момент и значительно облегчает вкручивание самореза.ПреимуществаПрокладка EPDM сохраняет свои свойства при частых изменениях нагрузок, температуры и воздействии УФ излученияУлучшенная геометрия сверла обеспечивает быстроту и легкость сверления в черепице и листовых кровельных материалахЦинковое покрытие надежно защищает от коррозииИспользованиеДля крепления кровельных материалов к деревянной обрешетке (металлическим конструкциям)]]>
Характеристики
Гарантия
нет
Упаковка, шт.
800
Длина (L), мм
75
Размер под ключ (S), мм
7.8-7.9
Диаметр, мм
5.5
Диаметр резьбы (D), мм
5.28-5.46
Шаг резьбы (Pi), мм
1.81
Диаметр сверла (dp), мм
4.48-4.70
Длина сверла (ds), мм
7
Диаметр шайбы (Dw), мм
15.90-16.15
Толщина прокладки (Ar), мм
2
mindelivery
1
quantum
1
Производитель
ЗУБР
price_rrc
4175.00
Отзывы
Отзывов еще никто не оставлял
