Описание
Характеристики
Отзывы
Описание
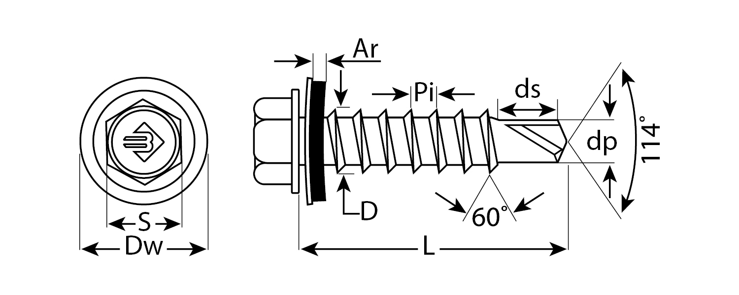
Кровельные саморезы изготовлены из стального прутка с высоким содержанием углерода. Контроль за геометрией самореза начинается с калибровки прутка и заканчивается тщательной проверкой размеров готового изделия. Нормативная твердость стали достигается термической обработкой. Поверхностная твердость мин. 560HV, твердость в сердцевине 240-425HV. Шайба с прокладкой EPDM плотно прижимается к кровельному материалу, герметизируя просверленное отверстие. Шестигранная головка выдерживает большой крутящий момент и значительно облегчает вкручивание самореза. Геометрические размеры: диаметр шайбы (Dw) - 13.90-14.15мм, толщина прокладки (Ar) - 2мм, Размер под ключ (S) - 7.8-7.9мм, диаметр резьбы (D) - 4.75-4.95мм, диаметр сверла (dp) - 2.8-2.9мм, длина сверла (ds) - 4.0-4.8мм, шаг резьбы (Pi) - 2.12мм.ПреимуществаПрокладка EPDM сохраняет свои свойства при частых изменениях нагрузок, температуры и воздействии УФ излученияОкраска головки с шайбой выполнена методом порошкового напыления. Cтандарт RAL поможет безошибочно подобрать саморезы под цвет кровельных материалов.Улучшенная геометрия сверла обеспечивает быстроту и легкость сверления в черепице и листовых кровельных материалахЦинковое покрытие надежно защищает от коррозииИспользованиеДля крепления кровельных материалов к деревянной обрешетке (металлическим конструкциям)]]>
Характеристики
Гарантия
нет
Упаковка, шт.
160
Длина (L), мм
70
Размер под ключ (S), мм
7.8-7.9
Цвет
RAL 9003
Диаметр, мм
4.8
Диаметр резьбы (D), мм
4.75-4.95
Шаг резьбы (Pi), мм
2.12
Диаметр сверла (dp), мм
2.70-2.90
Длина сверла (ds), мм
4.00-5.00
Диаметр шайбы (Dw), мм
13.90-14.15
Толщина прокладки (Ar), мм
2
mindelivery
1
quantum
1
Производитель
ЗУБР
price_rrc
0.00
Отзывы
Отзывов еще никто не оставлял
