Описание
    
  
      
      
        
  
    
    Характеристики
    
  
      
      
        
  
    
    
        Отзывы
        
    
    
  
      
      
    
    
    Описание
    
  
        
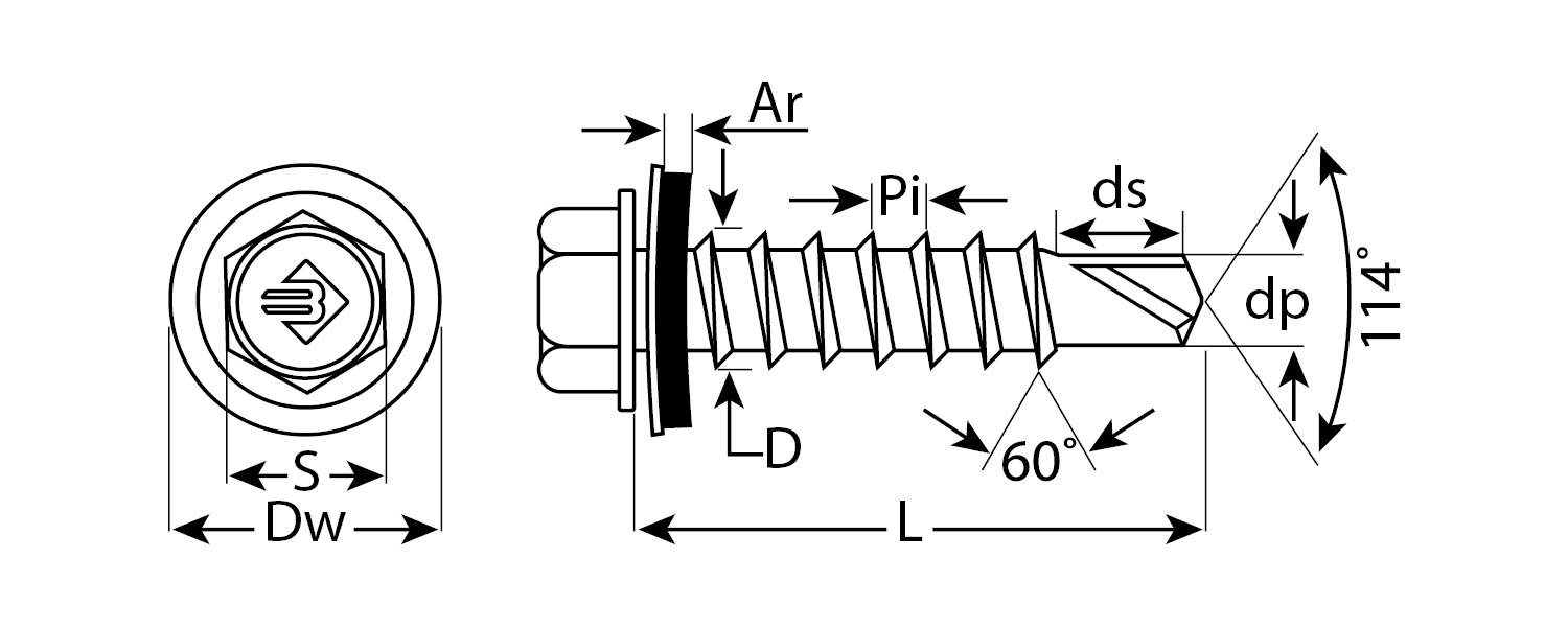
            Кровельные саморезы изготовлены из стального прутка с высоким содержанием углерода. Контроль за геометрией самореза начинается с калибровки прутка и заканчивается тщательной проверкой размеров готового изделия. Нормативная твердость стали достигается термической обработкой. Поверхностная твердость мин. 560HV, твердость в сердцевине 240-425HV. Шайба с прокладкой EPDM плотно прижимается к кровельному материалу, герметизируя просверленное отверстие. Шестигранная головка выдерживает большой крутящий момент и значительно облегчает вкручивание самореза. Геометрические размеры: диаметр шайбы (Dw) - 13.90-14.15мм, толщина прокладки (Ar) - 2мм, Размер под ключ (S) - 7.8-7.9мм, диаметр резьбы (D) - 4.75-4.95мм, диаметр сверла (dp) - 2.8-2.9мм, длина сверла (ds) - 4.0-4.8мм, шаг резьбы (Pi) - 2.12мм.ПреимуществаПрокладка EPDM сохраняет свои свойства при частых изменениях нагрузок, температуры и воздействии УФ излученияОкраска головки с шайбой выполнена методом порошкового напыления. Cтандарт RAL поможет безошибочно подобрать саморезы под цвет кровельных материалов.Улучшенная геометрия сверла обеспечивает быстроту и легкость сверления в черепице и листовых кровельных материалахЦинковое покрытие надежно защищает от коррозииИспользованиеДля крепления кровельных материалов к деревянной обрешетке (металлическим конструкциям)]]>
          
        
    
    Характеристики
    
  
        Гарантия
                    
                      
                        нет
                      
                    
                  Упаковка, шт.
                    
                      
                        800
                      
                    
                  Длина (L), мм
                    
                      
                        70
                      
                    
                  Размер под ключ (S), мм
                    
                      
                        7.8-7.9
                      
                    
                  Цвет
                    
                      
                        RAL 8028
                      
                    
                  Диаметр, мм
                    
                      
                        4.8
                      
                    
                  Диаметр резьбы (D), мм
                    
                      
                        4.75-4.95
                      
                    
                  Шаг резьбы (Pi), мм
                    
                      
                        2.12
                      
                    
                  Диаметр сверла (dp), мм
                    
                      
                        2.70-2.90
                      
                    
                  Длина сверла (ds), мм
                    
                      
                        4.00-5.00
                      
                    
                  Диаметр шайбы (Dw), мм
                    
                      
                        13.90-14.15
                      
                    
                  Толщина прокладки (Ar), мм
                    
                      
                        2
                      
                    
                  mindelivery
                    
                      
                        1
                      
                    
                  quantum
                    
                      
                        1
                      
                    
                  Производитель
                    
                      
                        ЗУБР
                      
                    
                  price_rrc
                    
                      
                        0.00
                      
                    
                  
    
    
        Отзывы
        
    
    
  
        Отзывов еще никто не оставлял
                
               
       
                           
                           
                           
                           
                           
                           
                           
                           
                           
                           
                           
                           
                           
                           
                           
                           
                           
                           
                           
                           
                           
                           
                           
                           
                           
                           
                           
                           
                           
                           
                           
                           
                           
                           
                           
                           
                           
                           
                           
                           
                           
                           
                           
                           
                           
                           
                           
                           
                           
                           
                           
                           
                           
                           
                           
                           
                           
                           
                           
                           
                           
                           
                           
                           
                           
                           
                           
                           
                           
                           
                           
                           
                           
                           
                           
                           
                           
                           
                           
                           
                           
                           
                           
                           
                           
                           
                           
                           
                           
                           
                           
                           
                           
                           
                           
                           
                           
                           
                           
                       
                       
                       
                      